Sunday, September 12th, 2021 AT 3:09 PM
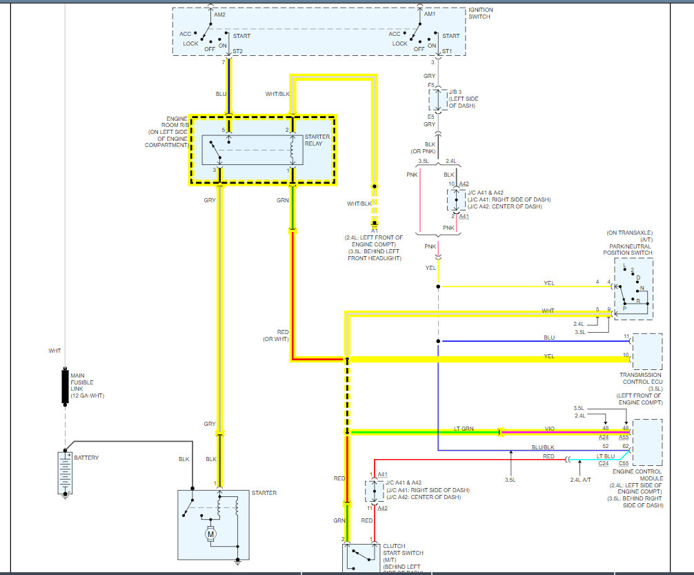
The car won't start. It won't crank or even click. Replaced the battery and starter. Alternator is good. Replaced the wiring harness that goes to the starter. All lights inside and out work but it won't start and won't go out of park. The radio and windows don't work. I have tried resetting the alarm all three ways and it didn't fix it and there's no switch on the steering column where it says there should be.




