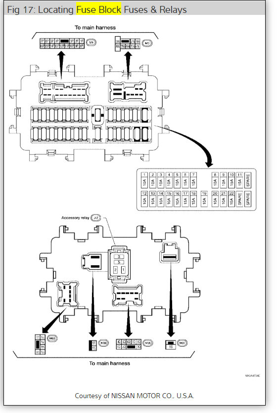
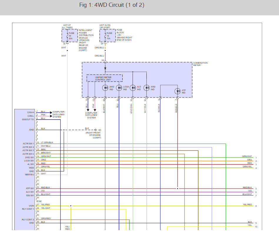
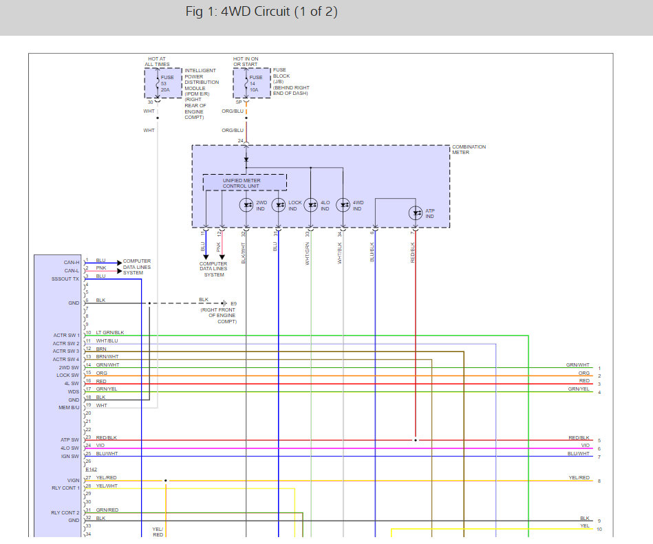
Wednesday, July 31st, 2013 AT 9:26 AM
My battery died (from sitting too long w/o driving) and I had to put the charger on it. Next morning - it was charged up started fine, BUT I noticed my 4WD light was on. The little 4-wheeled vehicle light on the dash is not visible to indicate if it's in 2 or 4 wheel, just a 4WD light. The 4wd seems to work fine though. What should I look for? Is this a repair code?







