Wednesday, August 26th, 2020 AT 6:22 PM
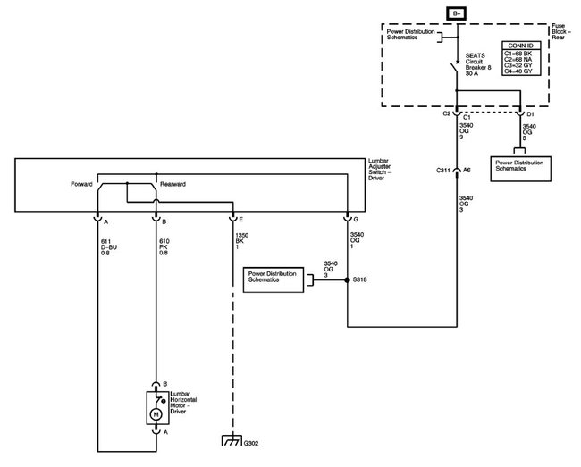
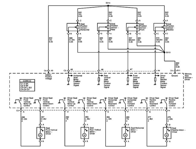
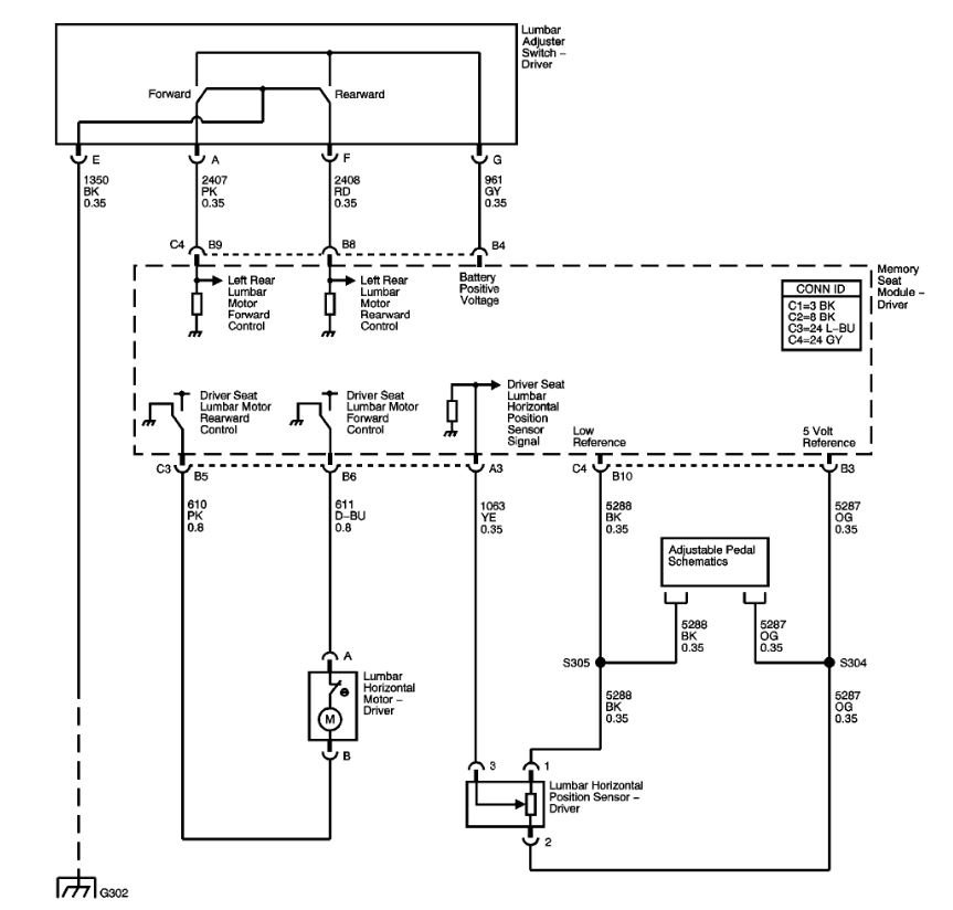
Hey all. I'm locked out of alldata. Working on a 2005 Trailblazer with power seats. Driver's seat is inop, passenger seat works. I swapped out the switches and neither seat worked. So I know I've got a bad switch to start with. But also I've got no power at the harness for the drivers seat. Fuse is good. Could someone pull a wiring diagram for me? And am I missing anything here?








