Monday, December 12th, 2011 AT 9:15 PM
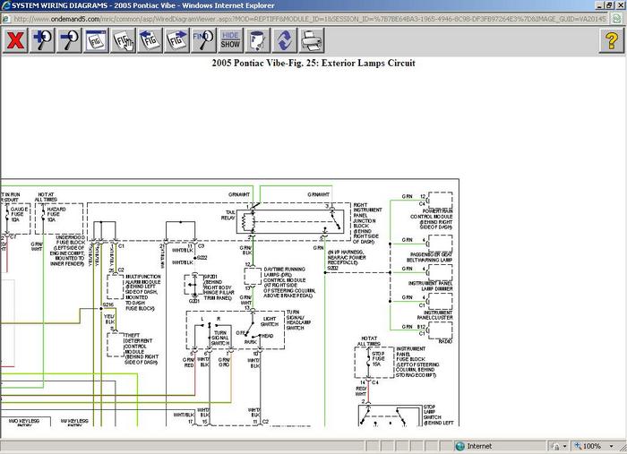
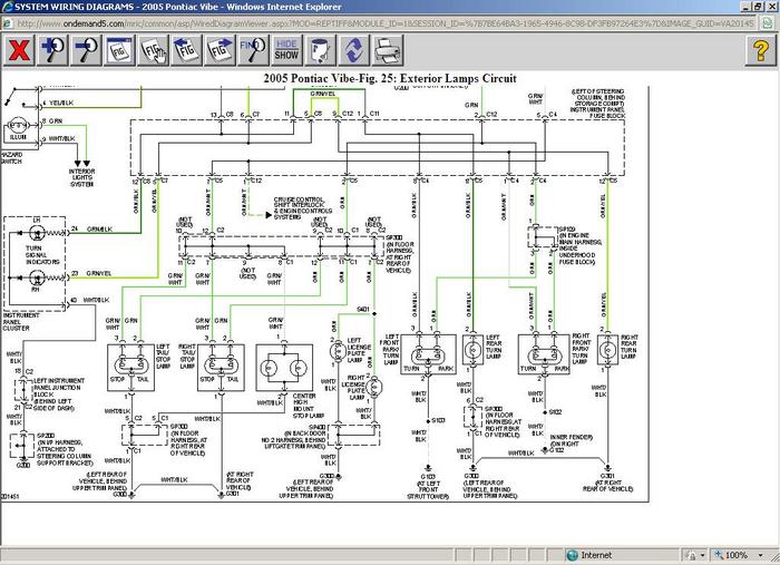
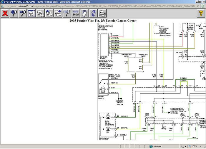
Can the DRL relay on a 2005 Pontiac Vibe cause the tail lamp fuse to blow? The fuse keeps blowing but the headlights come on as expected when you start the car (DRL). Turning the headlights on when the car is off via the stalk also turns on the headlights. The dash light that indicates that the headlights are on at night (as opposed to just the DRL's) does not come on as expected during the dark but, since headlights are on, I can assume that this is still the DRL's active. I pulled all the bulbs, they are good. No changes/modifications have been made to the vehicle. All other fuses are good both under the hood and under the dash. The emergency brake is never used but I pulled it several times because I was aware of the switch there.





