Monday, April 9th, 2012 AT 11:37 PM
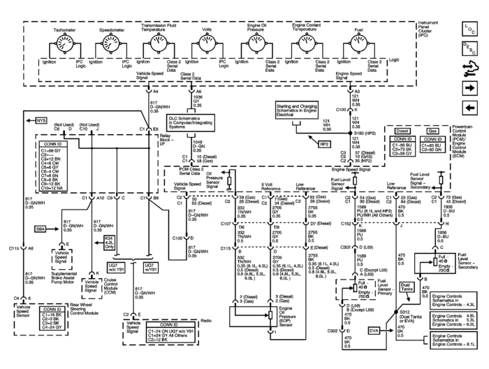
The fuel gauge have been off for about six months I would fill the tank and sometimes it would read full and other times it would read around half. In the past couple of days it would read empty and the go to half, but now it stays around empty all of the time


