Saturday, November 27th, 2010 AT 3:45 AM
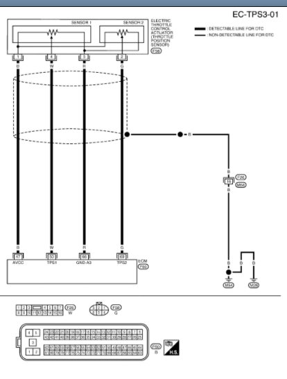
I have the car listed above with a 1.8L S. I keep getting the code p2135 which I know is throttle position sensor, which we replaced 3 times and each time only worked for a few months if that. We also checked the wire harness to see if that was the problem along with replacing the 02 sensor. I don't know why it keeps failing if someone could help me out it would be much appreciated!


















