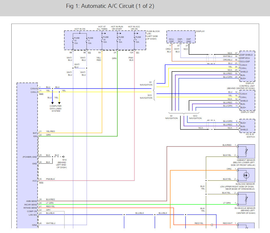
Monday, November 19th, 2012 AT 7:37 AM
My heater won't turn off, it will just stay blowing heat, and it only continuously stay on at the windshield part of the vent. I cant even decide whether or not to turn it on low blow or turn the temperature to cold. What do I do time fix it? HELP!














