Saturday, January 12th, 2013 AT 1:06 AM
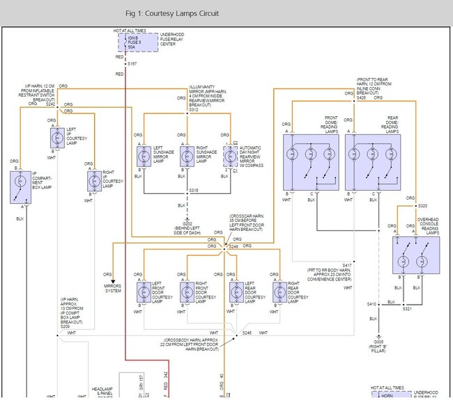
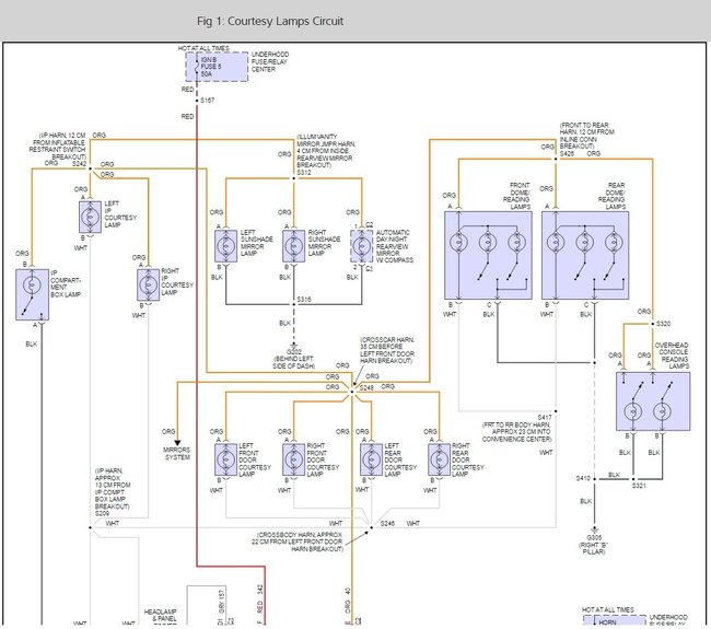
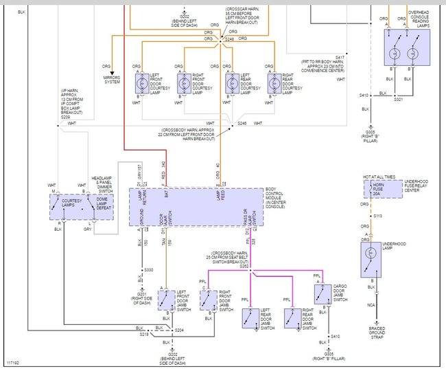
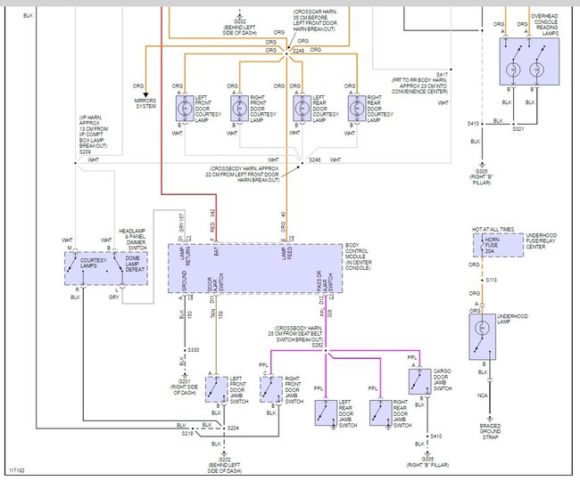
My interior dome lights will not come on in my 2000 Escalade when doors are opened. I am aware of the dome light override switch, which doesn't help with the issue when pushed either way. There doesn't appear to be any wires damaged near the parking brake pedal. The interior lights do come on when turned on manually. So it is not a fuse issue. Any other recommendations?




