Saturday, March 3rd, 2012 AT 10:26 PM
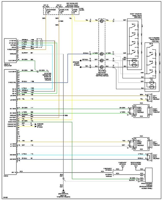
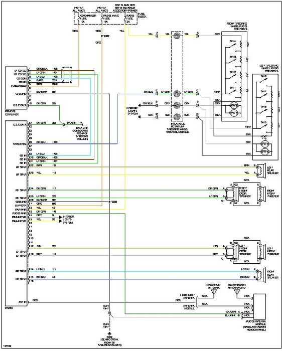
What/where is the wire for the steering wheel audio control for a 98 buick regal? I have a new aftermarket double din thats compatible with steering wheel control but the 2 wires I have on the back of my new double din have to tie into the steering wheel. All I need to no is wheres are which wires is the ones to the steering wheel control audio? The wires that goes to the radio



