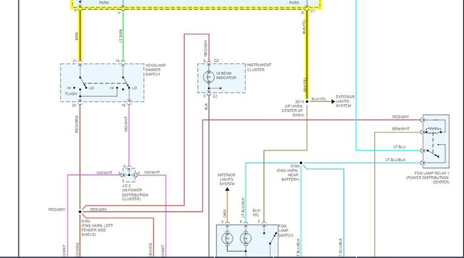
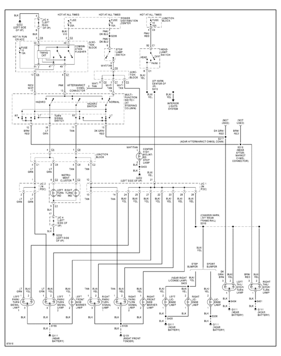
Sunday, February 23rd, 2020 AT 6:41 AM
The parking lights, taillights, dash lights all work. If I barely pull the switch out but won't work when pulled into park or light position. I have used 2 new OEM switch's and the problem still exist. Headlights, turn signals, brake lights, flashers, and dome lights all work fine. What can be the problem?













