Thursday, October 6th, 2011 AT 2:11 AM
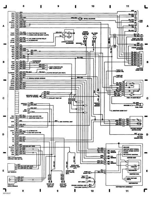
My car came with a cvt transmission but it went bad so I had to replace it with one of that with torque converter, the problem it that my car wire loom is different so the lock up solinoid on the present transmission have no connection I also have the right ecu for that transmission




