Tuesday, February 5th, 2013 AT 4:05 PM
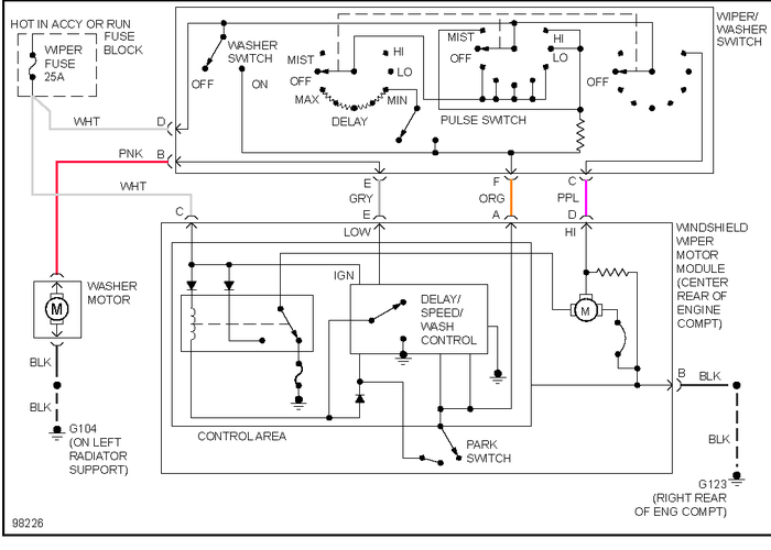
My truck was parked with the wipers on longest Intermitant position on the wiper switch. The next morning the truck was started while the blades were frozen to the windshield. Now I have intermitant and low speed, but no high speed. My question is, 1. Does High speed run through its own relay? 2. Can I check the purple wire at the motor for power on high speed? And 3. Does the high speed run through the module card or directly to the wiper motor? Oh, and yes thats 260,000 miles on the original engine.

