I actually have two problems. The ABS and brake lights are on, on my dash.
When they come on, my air quits working. The air on that truck has never worked right.
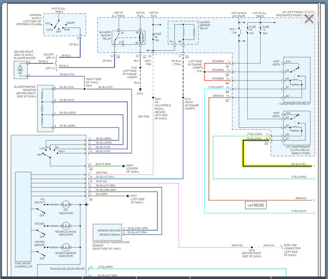
And if and when I turn on the air, when I turn on the A/C, its 10-amp fuse instantly blows. The 10-amp fuse is for the A/C clutch
I have read this means a short circuit, rather than component failure.
On my dodge, everything is run through the ignition. This causes a continual electric flow through the wires behind the driver knee panel.
The constant draw melts the wires. A TSB for a vehicle a few years older than mine was for the exact same things that I was experiencing. The TSB said the ac had to be taken off of the ignition, rewired into its own wiring harness, and given its own relay, which was to be mounted on the brace for the emergency brake.
The Dodge dealer half-assed the repair twice. Even though the manufacturer was going to provide everything and pay for everything.
Why didn’t Dodge fix it before they sent it out?
So, I feel fairly certain all these problems stem from the A/C and ignition being on the same fuse.
Will Dodge send me a harness, or is this something they require a dealer to do?
At this late date, would they even bother.
I guess you could get the wire yourself.
The pre-made dodge wiring harness is all color coded.
Thank you
Saturday, May 21st, 2022 AT 11:21 PM




